E-mail    Whatsapp    Telegramm   Teams
main  |  news  |  FAQ  |  place your order  |  feedback
ENTER
  login:    password:     

Books       

 global search
 REGISTRATION  Forgot your password?  Unsubscribe news
Перейти на русскоязычную версию сайта Auto CD
All Catalogues
Place Your Order
 Brand list
 Cars Spare Parts
 Lorry, Buses Parts
 OEM Cars Parts
 OEM Lorry Parts
 Cars Manuals
 Lorry Manuals
 Lift Trucks Parts
 ForkLift Manuals
 Agriculture Parts
 Agriculture Manuals
 Cranes Parts
 Cranes Manuals
 Heavy Technics
 Heavy Manuals
 Engines Parts
 Engines Manuals
 Bikes, ATV Parts
 Outboards Parts
 Bikes Manuals
 Boats Manuals
 Diagnostic
 VMware sets
 Europe
 Asia
 USA
 Japan
 China
Price lists
Activation keys
search
      everywhere
 For Print
 Site Map

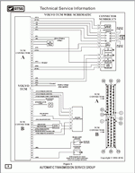
ATSG (QDGD5042-LE) VOLVO / SAAB 50-42 LE Technicians Guide :

AISIN WARNER 50-42LE
This manual covers tear down and assembly, electronic diagnosis, principles of operation, Complete hydraulic circuit diagrams, Valve body spring and valve identification and Valve Body Mapping (passage identification for the valve body and all spacer plates). (50-42TDG)


 
 

25 EURO

ADD to CART

BACK to CATALOGUE

Screenshots
(You can click on the thumbnails for large view)

Click to view big picture in popup. Click to view big picture in popup. Click to view big picture in popup. Click to view big picture in popup.

Conflict ATSG (QDGD5042-LE) VOLVO / SAAB 50-42 LE Technicians Guide with other catalogues:

No conflicts found

 Region:   All regions
 Languages:  English
 OS:  Win98, WinXP
 Quantity of CD:  1 CD
 Data of update:  2/2006
 Price:  25 Euro




May we suggest also: ( total 2 catalogs )

N NAME REGION LANGUAGE VALUE DATE PRICE

1

Toyota transmission and transaxle repair manuals
A140E, A240L, A241E, A243L, A340F, A343F, A442F, A540H, A540E, A541E, A650E, A750E, A761E, A960E, A340E, A343E, A43D, A46DE, A46DF, U140, U151E, U241E, U250E, U660E, U340E, U341F, U140E, U241E, U441E, A760H, A960H
Repair manual
All regionsEnglish1 CD1/200625 EURO

2

ATSG 2017
automatic transmission repair manuals
Repair manual
All regionsEnglish1 DVD 6/2017250 EURO

designed by creative-bureau DONE Any questions or comments please send to: hodgjunior@gmail.com